Родственник Виктора Лукашенко забрал здание у детской поликлиники и открыл там пыточную для белорусов
Digital intelligence team подготовил расследование о том, как здание минской поликлиники признали «аварийным» и бесплатно передали КГБ. После того как здание отошло спецслужбам, деньги на его реконструкцию быстро нашлись.
Команда Digital intelligence team получила информацию о том, что белорусов вызывают на допросы в здание бывшей детской поликлиники возле станции метро «Автозаводская» в Минске. Но что это за здание?
Оно расположено по адресу улица Седова, 8 в Минске. Напротив школа, рядом ДК МАЗ и станция метро «Автозаводская». Раньше здесь был филиал 10-й детской поликлиники. Местные жители рассказали Onliner, что там обслуживали сотни детей, а здание всегда было перегружено.
В конце 2017 года местные жители узнали, что поликлинике срочно требуется капитальный ремонт. Их огорчило то, что все лето в здании для чего-то делали косметический ремонт. Однако жалобы и обращения в СМИ ничего не дали. Здание закрыли, но реконструкцию так и не начали. Всех детей перенаправили в главный корпус 10-й поликлиники.
В декабре 2020 года было принято решение, что здание перейдет в ведение КГБ. Здание и площадь рядом были бесплатно изъяты из собственности Минздрава и переданы КГБ. Задача планирования, которую возглавляет группа цифровой разведки, подтверждает эту схему.
Александр Гарусов, который тогда был заместителем начальника управления КГБ, подписал задание на проектирование «расположения объекта иного назначения». Биография этого 50-летнего чекиста имеет важный секрет.
Жена Гарусова — 50-летняя Инна. Они земляки, оба со Шкловщины. Инна Гарусова работает в Оперативно-аналитическом центре при Президенте Беларуси ведущим специалистом. Она сестра Лилии Лукашенко, жены Виктора Лукашенко.
По данным «Альянса расследователей Беларуси», Инна и Александр много путешествовали вместе с семьей Виктора Лукашенко и их друзьями. Это происходило с 2008 по 2020 год.
Например, в 2011 году Гарусовы ездили в Бодрум вместе с Миланкой Карич, женой совладельца Dana Holdings Боголюба Карича, и одним из руководителей Dana Holdings Зелянко Силиковицем. В 2016 году они месяц отдыхали в Греции вместе с Боголюбом Каричем и его семьей. Также в 2016, 2017 и 2020 годах Инна с Лилией Лукашенко и их детьми ездили в Катар и ОАЭ, когда там был Александр Лукашенко.
Все совместные поездки Гарусовых и Лукашенко происходили на частных самолетах.
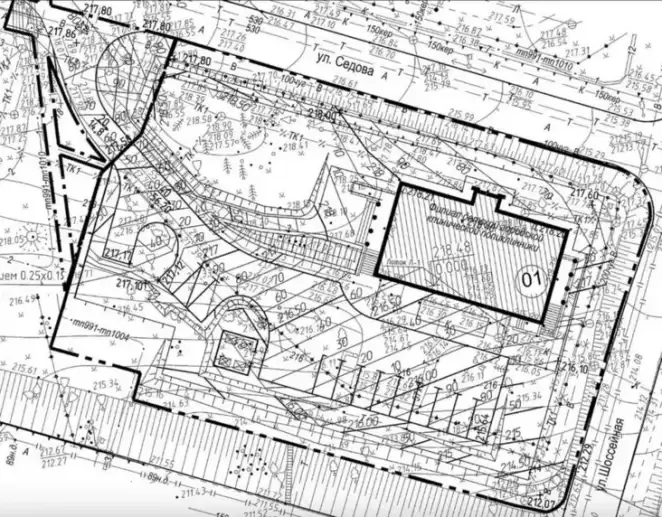
В документации, которую проект получил от «Белпола», здание КГБ везде подписано как «объект иного назначения». Общая площадь здания составляет 335,2 квадратных метра. Он рассчитан на 21 сотрудника КГБ.
Вот так он расположен по отношению к улицам Седова и Шоссейной. Для КГБ была создана парковка на 13 мест.
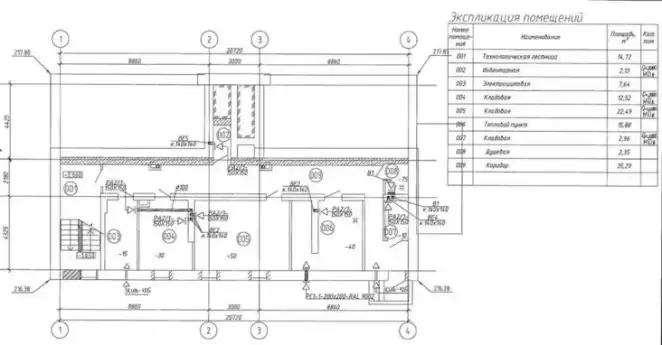
В подвале здания нет ничего особенного: подсобные помещения.
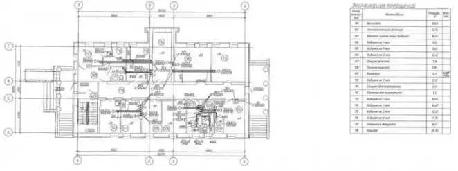
На первом этаже расположены 8 кабинетов на 12 сотрудников. Также имеется дежурная комната, окна которой выходят на улицу Седова и близлежащую школу. Также имеется гостевая комната. Есть комната отдыха и питания.
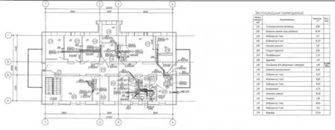
На втором этаже еще 7 офисов. Также имеются две комнаты отдыха и душевая. В каждой из этих комнат есть диваны и можно даже поспать. Зачем три туалета на 21 человека — непонятно.
Также в здании имеется не менее 20 кондиционеров, а на первом этаже установлена система сигнализации. По контуру здания расположены 25 камер наблюдения.
Реконструкция здания завершилась в июне 2023 года. Согласно тендерам, в здание было вложено 3,6 миллиона рублей, или около $1,5 миллиона.
Сравните, как здание выглядело до и после перехода под крыло КГБ:
Ремонт финансировался, естественно, из государственных средств — из бюджета Минска и Управления капитального строительства и ремонта Заводского района Минска.
Здание детской поликлиники 2017 год. Фото: onliner.by
«Аварийная поликлиника»
Команда Digital intelligence team получила информацию о том, что белорусов вызывают на допросы в здание бывшей детской поликлиники возле станции метро «Автозаводская» в Минске. Но что это за здание?
Оно расположено по адресу улица Седова, 8 в Минске. Напротив школа, рядом ДК МАЗ и станция метро «Автозаводская». Раньше здесь был филиал 10-й детской поликлиники. Местные жители рассказали Onliner, что там обслуживали сотни детей, а здание всегда было перегружено.
В конце 2017 года местные жители узнали, что поликлинике срочно требуется капитальный ремонт. Их огорчило то, что все лето в здании для чего-то делали косметический ремонт. Однако жалобы и обращения в СМИ ничего не дали. Здание закрыли, но реконструкцию так и не начали. Всех детей перенаправили в главный корпус 10-й поликлиники.
Переломный 2020-й
В декабре 2020 года было принято решение, что здание перейдет в ведение КГБ. Здание и площадь рядом были бесплатно изъяты из собственности Минздрава и переданы КГБ. Задача планирования, которую возглавляет группа цифровой разведки, подтверждает эту схему.
Скриншот запланированного задания, которое приводит Digital intelligence team
Александр Гарусов, который тогда был заместителем начальника управления КГБ, подписал задание на проектирование «расположения объекта иного назначения». Биография этого 50-летнего чекиста имеет важный секрет.
Александр и Инна Гарусовы. Фото из базы «Киберпартизаны»
Жена Гарусова — 50-летняя Инна. Они земляки, оба со Шкловщины. Инна Гарусова работает в Оперативно-аналитическом центре при Президенте Беларуси ведущим специалистом. Она сестра Лилии Лукашенко, жены Виктора Лукашенко.
По данным «Альянса расследователей Беларуси», Инна и Александр много путешествовали вместе с семьей Виктора Лукашенко и их друзьями. Это происходило с 2008 по 2020 год.
Например, в 2011 году Гарусовы ездили в Бодрум вместе с Миланкой Карич, женой совладельца Dana Holdings Боголюба Карича, и одним из руководителей Dana Holdings Зелянко Силиковицем. В 2016 году они месяц отдыхали в Греции вместе с Боголюбом Каричем и его семьей. Также в 2016, 2017 и 2020 годах Инна с Лилией Лукашенко и их детьми ездили в Катар и ОАЭ, когда там был Александр Лукашенко.
Все совместные поездки Гарусовых и Лукашенко происходили на частных самолетах.
Тайны КГБ
В документации, которую проект получил от «Белпола», здание КГБ везде подписано как «объект иного назначения». Общая площадь здания составляет 335,2 квадратных метра. Он рассчитан на 21 сотрудника КГБ.
Скриншот плана реконструкции здания
Вот так он расположен по отношению к улицам Седова и Шоссейной. Для КГБ была создана парковка на 13 мест.
Скриншот плана реконструкции здания
В подвале здания нет ничего особенного: подсобные помещения.
[center]Скриншот проектной документации здания
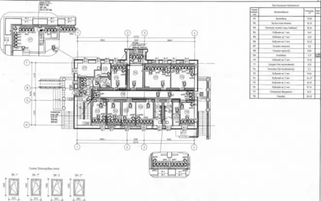
[/center]На первом этаже расположены 8 кабинетов на 12 сотрудников. Также имеется дежурная комната, окна которой выходят на улицу Седова и близлежащую школу. Также имеется гостевая комната. Есть комната отдыха и питания.
[center]Скриншот проектной документации здания
[/center]Фото с сайта команды Digital Intelligence. Скриншот с Яндекс.Карты
На втором этаже еще 7 офисов. Также имеются две комнаты отдыха и душевая. В каждой из этих комнат есть диваны и можно даже поспать. Зачем три туалета на 21 человека — непонятно.
Скриншот проектной документации здания
Также в здании имеется не менее 20 кондиционеров, а на первом этаже установлена система сигнализации. По контуру здания расположены 25 камер наблюдения.
Камеры и сигнализация в здании
Реконструкция здания завершилась в июне 2023 года. Согласно тендерам, в здание было вложено 3,6 миллиона рублей, или около $1,5 миллиона.
Сравните, как здание выглядело до и после перехода под крыло КГБ:
Ремонт финансировался, естественно, из государственных средств — из бюджета Минска и Управления капитального строительства и ремонта Заводского района Минска.
Заметили ошибку? Пожалуйста, выделите её и нажмите Ctrl+Enter

